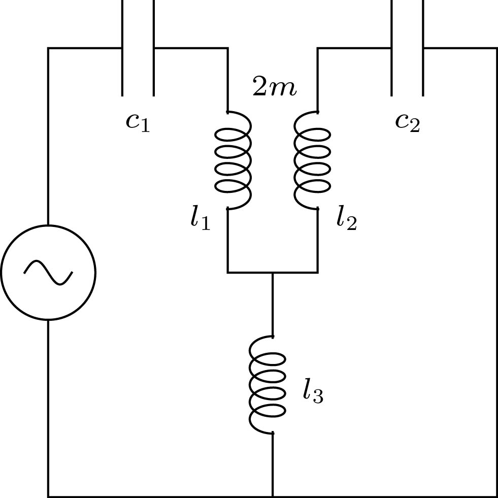
The Invariant Eigen-operator (IEO) method is widely used in solving the eigenfrequencies of the coulped quantum mesoscopic circuits. The previous IEO method is complicated but stylized, we always wasted much time in this boring processes. Here we extended the IEO method to the matrix form based on Lagrangian of the complex mesoscopic circuits, and express the ideas and processes of the previous calculations of the IEO method in a very simple matrix form. The mathematical methods we used is the indicator representation of the matrix, and we got a very simple and convenient matrix form of the IEO method. This form has important significance for the calculation of large-scale complex multi-loop mesoscopic circuits. Moreover, the matrix form of the IEO method is very friendly to the programming implementation of the complex quantum mesoscopic
L−
Ccircuits, it is probably a most optimal algorithm for calculating the eigenfrequencies of the quantum mesoscopic
L−
Ccircuits. In addition, with some help of computer programs, we used this method to calculate the eigenfrequencies of three
L−
Cmesoscopic circuits, including two cases with and without mutual inductance. We revealed some relevant properties of these circuits by calculating results, indicating that the eigenfrequency is only related to the element properties of the mesoscopic circuit itself. Finally, we found that this method can also be used in other areas like atom-light coupling systems and solid state physics.