-
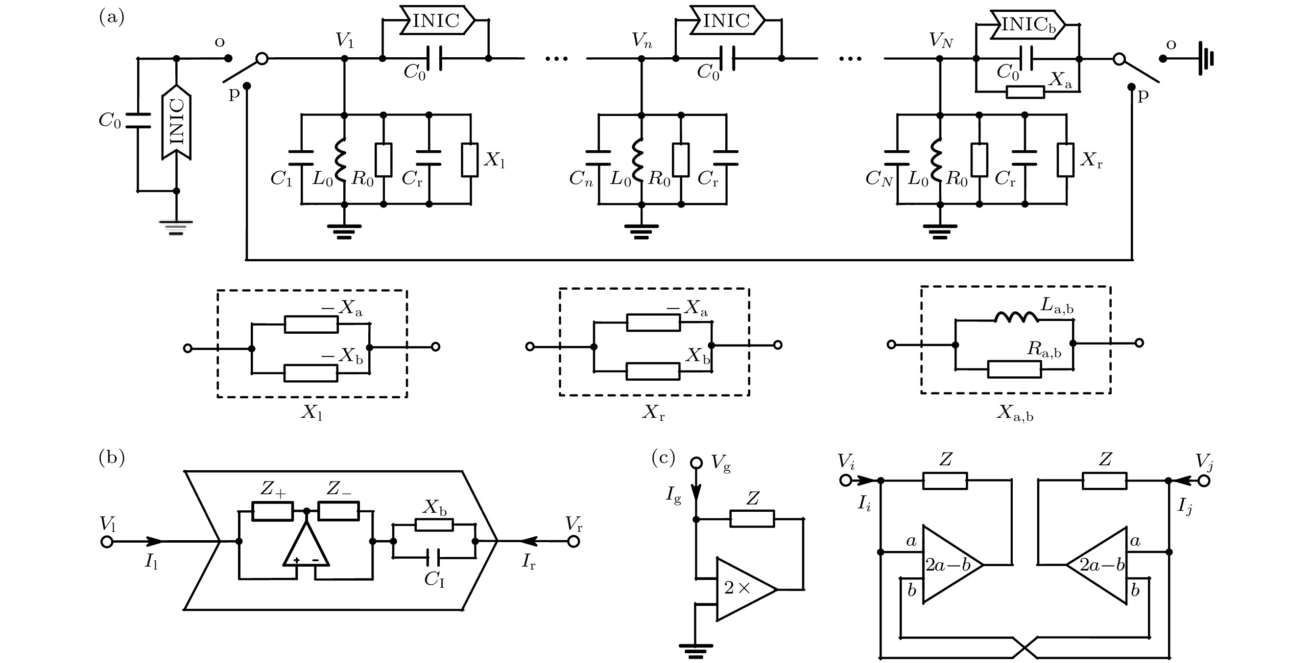
非厄米的引入扩展了传统厄米量子系统中的概念并诱导出许多新奇的物理现象, 比如非厄米系统所独有的非厄米趋肤效应, 这使得对非厄米量子模型的模拟成为大家关注的热点. 相比于量子平台, 经典系统具有成本低廉、技术成熟、室温条件等优势, 而其中的经典电路系统则更加灵活, 原则上可以模拟任意维度、任意格点间跃迁、任意边界条件下的量子紧束缚模型, 已经成为模拟量子物态的有力平台. 本文利用经典电路通过SPICE成功模拟了一个重要的非厄米量子模型——非互易Aubry-André 模型——的稳态性质, 此模型同时具有非互易的格点跃迁和准周期的格点在位势. 以此为例, 详细介绍了如何建立经典电路的拉普拉辛形式与量子紧束缚模型哈密顿矩阵在不同边界条件下的映射, 尤其是如何利用电流型负阻抗变换器构建模型的非互易性. 然后, 根据电路的格林函数, 通过AC电流驱动并测量电压响应的方式, 用SPICE模拟了周期边界条件下的复能谱和相应的能谱缠绕数, 以及开边界条件下的趋肤与局域模式的竞争. 其中, 为了使电路的响应不发散, 本文还解析地给出辅助元件的设置原则. 结果显示, SPICE模拟与理论计算很好地符合, 为进一步的实验实现提供了详细的指导. 由于本文电路设计与测量方案的普适性, 原则上可以直接应用于其他非厄米量子模型的电路模拟.
-
关键词:
- 非互易Aubry-André 模型/
- 非厄米趋肤效应/
- 非厄米拓扑/
- 量子模拟
The introduction of non-Hermiticity into traditional Hermitian quantum systems generalizes their basic notions and brings about many novel phenomena, e.g., the non-Hermitian skin effect that is exclusive to non-Hermitian systems, attracting enormous attention from almost all branches of physics. Contrary to the quantum platforms, classical systems have the advantages of low cost and mature techniques under room temperature. Among them, the classical electrical circuits are more flexible on simulating quantum tight-binding models in principle with any range of hopping under any boundary conditions in any dimension, and have become a powerful platform for the simulation of quantum matters. In this paper, by constructing an electrical circuit, we simulate by SPICE the static properties of a prototypical non-Hermitian model—the nonreciprocal Aubry-André (AA) model that has the nonreciprocal hopping and on-site quasiperiodic potentials. The paper is organized as follows: Following the introduction, in Sec. II we review in detail the Laplacian formalism of electrical circuits and the mapping to the quantum tight-binding model. Then, in Sec. III, an electrical circuit is proposed with resistors, capacitors, inductors, and the negative impedance converters with current inversion (INICs), establishing a mapping between the circuit's Laplacian and the non-reciprocal AA model's Hamiltonian under periodic boundary conditions (PBCs) or open boundary conditions (OBCs). Especially, the nonreciprocity, the key of this model, is realized by INICs. In Sec IV, based on the mapping, for the proposed circuit under PBCs, we reconstruct the circuit's Laplacian via SPICE by measuring voltage responses of an AC current input at each node. The complex spectrum and its winding number $\nu$ can be calculated by the measured Laplacian, which are consistent with the theoretical prediction, showing$\nu=\pm 1$ for non-Hermitian topological regimes with complex eigenenergies and extended eigenstates, and$\nu=0$ for topologically trivial regimes with real eigenenergies and localized eigenstates. In Sec V, for the circuit under OBCs, a similar method is used for measuring the node distribution of voltage response, which simulates the competition of non-Hermitian skin effects and the Anderson localization, depending on the strength of quasiperiodic potentials; the phase transition points also appear in the inverse participation ratios of voltage responses.During the design process, the parameters of auxiliary resistors and capacitors are evaluated for obtaining stable responses, because the complex eigenfrequecies of the circuits are inevitable under PBCs. Our detailed scheme can directly instruct further potential experiments, and the designing method of the electrical circuit is universal and can in principle be applied to the simulation for other quantum tight-binding models. -
Keywords:
- nonreciprocal Aubry-André model/
- non-Hermitian skin effect/
- non-Hermitian topology/
- quantum simulation
[1] [2] [3] [4] [5] [6] [7] [8] [9] [10] [11] [12] [13] [14] [15] [16] [17] [18] [19] [20] [21] [22] [23] [24] [25] [26] [27] [28] [29] [30] [31] [32] [33] [34] [35] [36] [37] [38] [39] [40] [41] [42] [43] [44] [45] [46] [47] [48] [49] [50] [51] [52] [53] [54] [55] [56] [57] [58] [59] [60] [61] [62] [63] [64] -
[1] [2] [3] [4] [5] [6] [7] [8] [9] [10] [11] [12] [13] [14] [15] [16] [17] [18] [19] [20] [21] [22] [23] [24] [25] [26] [27] [28] [29] [30] [31] [32] [33] [34] [35] [36] [37] [38] [39] [40] [41] [42] [43] [44] [45] [46] [47] [48] [49] [50] [51] [52] [53] [54] [55] [56] [57] [58] [59] [60] [61] [62] [63] [64]
计量
- 文章访问数:5446
- PDF下载量:300
- 被引次数:0












下载:

