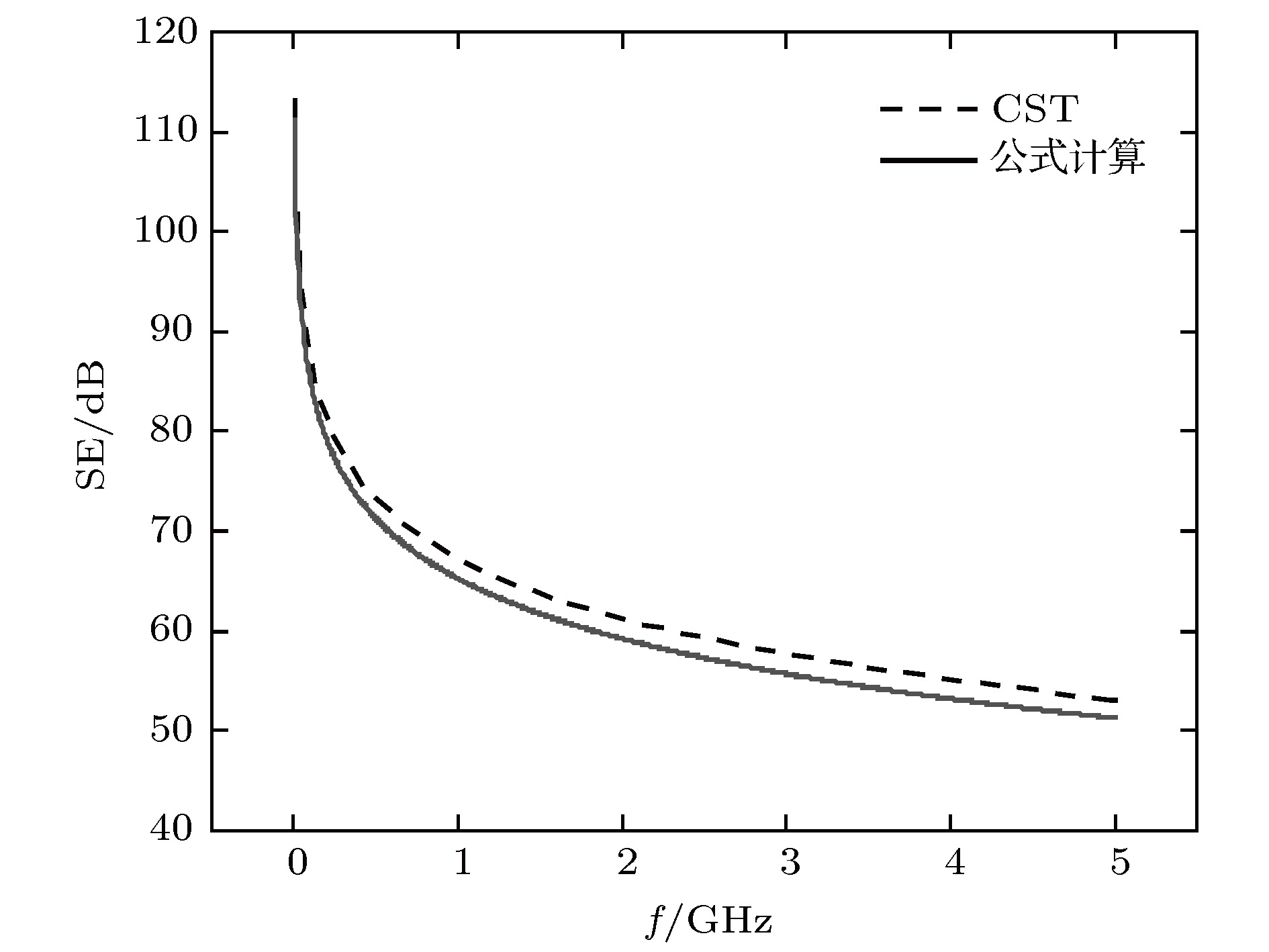
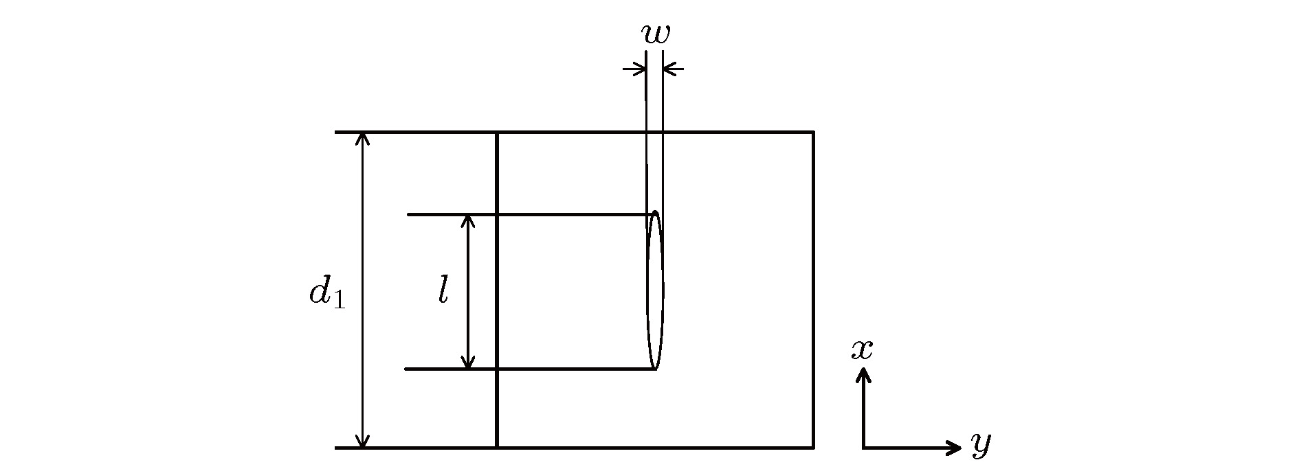
Penetration of a plane electromagnetic wave through the apertures on a perfectly conducting flat plate is a classical electromagnetic problem. In some practical applications like electromagnetic shielding, where only the fields far from the apertures are concerned and the aperture sizes are small compared with a wavelength, the role of apertures can be represented by the equivalent electric and magnetic dipoles located in the centers of the apertures. In principle, the penetration field can be expressed as the superposition of the radiation fields of the dipoles. However, the direct superposition leads to a double series with complex form and poor convergence. On the other hand, this problem may also be solved by full wave numerical simulations. Even so, finding analytical solutions is still desirable considering that it is clear in physical significance and easy to implement. In this paper, the analytical formula of the penetration fields are derived for both TE and TM polarization mode with different angles of incidence. The derivation is carried out firstly by averagely distributing each dipole moment within each periodic unit. As a result, the dipole array is replaced with a flat sheet with uniform magnetization and polarization intensity. Then, the equivalent surface current and charge distributions are obtained directly from the polarization intensity. Finally, the penetration fields are treated as the radiation fields of the surface sources. It is shown that the amplitude of the penetration field is proportional to aperture magnetic polarization coefficient and wave frequency, and it is inversely proportional to the area of a periodic unit. In regard to the effect of the incidence angle, the amplitude of the penetration field is proportional to the cosine of the incidence angle for TE polarization. However, for the TM polarization, the relationship is a little complicated due to the coexistence of electric and magnetic dipoles: the field is not rigorously inversely proportional to the cosine of the incidence angle due to the existence of a correction term involving both the polarization coefficient and the sine of the angle. The formula is used to calculate the shielding effectiveness for several different aperture shapes and different incidence angles. The results are in good agreement with those from the full wave simulation software.