| [1] | Zhang Zhen, Yi Shi-He, Liu Xiao-Lin, Chen Shi-Kang, Zhang Zhen.Flow evolution of mixed layer on convex curvature wall under hypersonic conditions. Acta Physica Sinica, 2024, 73(10): 104701.doi:10.7498/aps.73.20240128 | 
         
          | [2] | Xu Zi-Yuan, Zhou Hui, Liu Guang-Han, Gao Zhong-Liang, Ding Li, Lei Fan.Study on the density regulation of plasma sheath by three-dimensional traveling magnetic field. Acta Physica Sinica, 2024, 73(17): 1-16.doi:10.7498/aps.73.20240877 | 
         
          | [3] | Liu Xiang-Qun, Liu Yu, Ling Yi-Ming, Lei Jiu-Hou, Cao Jin-Xiang, Li Jin, Zhong Yu-Min, Shen Ming, Li Yan-Hua.Electron density depletion by releasing carbon dioxide in plasma wind tunnel. Acta Physica Sinica, 2022, 71(14): 145202.doi:10.7498/aps.71.20212353 | 
         
          | [4] | Liu Yong, Tu Guo-Hua, Xiang Xing-Hao, Li Xiao-Hu, Guo Qi-Long, Wan Bing-Bing.Parametrization of suppressing hypersonic second-mode waves by transverse rectangular microgrooves. Acta Physica Sinica, 2022, 71(19): 194701.doi:10.7498/aps.71.20220851 | 
         
          | [5] | Liu Nai-Zhang, Yao Ruo-He, Geng Kui-Wei.Gate capacitance model of AlGaN/GaN high electron mobility transistor. Acta Physica Sinica, 2021, 70(21): 217301.doi:10.7498/aps.70.20210700 | 
         
          | [6] | Xie Tian-Ci, Zhang Bin, He Bo, Li Hao-Peng, Qin Zhuang, Qian Jin-Qian, Shi Qie-Ming, Lewis Elfed, Sun Wei-Min.Mathematical algorithm model of absolute dose in radiotherapy. Acta Physica Sinica, 2021, 70(1): 018701.doi:10.7498/aps.70.20200986 | 
         
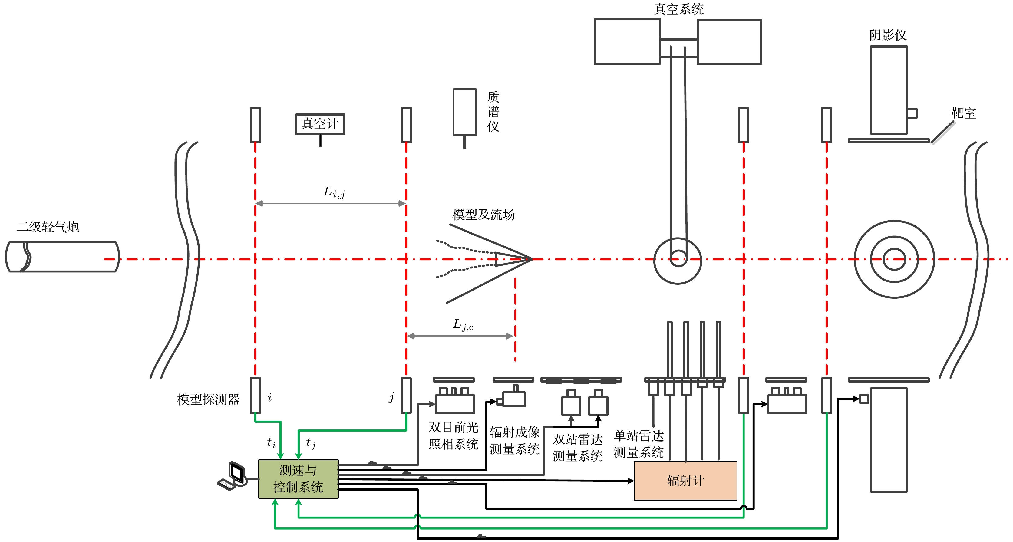
          | [7] | Zheng Wen-Peng, Yi Shi-He, Niu Hai-Bo, Huo Jun-Jie.Experimental research on crossflow instability for a hypersonic 4∶1 elliptic cone. Acta Physica Sinica, 2021, 70(24): 244702.doi:10.7498/aps.70.20210807 | 
         
          | [8] | Li Yao, Su Tong, Lei Fan, Xu Neng, Sheng Li-Zhi, Zhao Bao-Sheng.X-ray transmission characteristics and potential communication application in plasma region. Acta Physica Sinica, 2019, 68(4): 040401.doi:10.7498/aps.68.20181973 | 
         
          | [9] | Chen Wei, Guo Li-Xin, Li Jiang-Ting, Dan Li.Propagation characteristics of terahertz waves in temporally and spatially inhomogeneous plasma sheath. Acta Physica Sinica, 2017, 66(8): 084102.doi:10.7498/aps.66.084102 | 
         
          | [10] | Wang Xiao-Hu, Yi Shi-He, Fu Jia, Lu Xiao-Ge, He Lin.Experimental investigation on surface heat transfer characteristics of hypersonic two-dimensional rearward-facing step flow. Acta Physica Sinica, 2015, 64(5): 054706.doi:10.7498/aps.64.054706 | 
         
          | [11] | Fu Jia, Yi Shi-He, Wang Xiao-Hu, Zhang Qing-Hu, He Lin.Experimental study on flow visualization of hypersonic flat plate boundary layer. Acta Physica Sinica, 2015, 64(1): 014704.doi:10.7498/aps.64.014704 | 
         
          | [12] | Ma Ji-Gang, Ma Xiao-Hua, Zhang Hui-Long, Cao Meng-Yi, Zhang Kai, Li Wen-Wen, Guo Xing, Liao Xue-Yang, Chen Wei-Wei, Hao Yue.A semiempirical model for kink effect on the AlGaN/GaN high electron mobility transistor. Acta Physica Sinica, 2012, 61(4): 047301.doi:10.7498/aps.61.047301 | 
         
          | [13] | Nie Tao, Liu Wei-Qiang.Study of coupled fluid and solid for a hypersonic lending edge. Acta Physica Sinica, 2012, 61(18): 184401.doi:10.7498/aps.61.184401 | 
         
          | [14] | Jiang Zhi-Hong, Wang Hui, Gao Chao.A evolving network model generated by random walk and policy attachment. Acta Physica Sinica, 2011, 60(5): 058903.doi:10.7498/aps.60.058903 | 
         
          | [15] | Wu Hua-Ying, Zhang He-Ming, Song Jian-Jun, Hu Hui-Yong.An model of tunneling gate current for uniaxially strained Si nMOSFET. Acta Physica Sinica, 2011, 60(9): 097302.doi:10.7498/aps.60.097302 | 
         
          | [16] | Li Qi, Zhang Bo, Li Zhao-Ji.A new analytical model of breakdown voltage for the SD LDMOS. Acta Physica Sinica, 2008, 57(3): 1891-1896.doi:10.7498/aps.57.1891 | 
         
          | [17] | Zhang He-Ming, Cui Xiao-Ying, Hu Hui-Yong, Dai Xian-Ying, Xuan Rong-Xi.Study on threshold voltage model of strained SiGe quantum well channel SOI PMOSFET. Acta Physica Sinica, 2007, 56(6): 3504-3508.doi:10.7498/aps.56.3504 | 
         
          | [18] | Hao Yue, Han Xin-Wei, Zhang Jin-Cheng, Zhang Jin-Feng.Current slump mechanism and its physical model of AlGaN/GaN HEMTs under DC bias. Acta Physica Sinica, 2006, 55(7): 3622-3628.doi:10.7498/aps.55.3622 | 
         
          | [19] | Ma Zhong-Fa, Zhuang Yi-Qi, Du Lei, Bao Jun-Lin, Li Wei-Hua.A physical-based percolation model for gate oxide TDDB. Acta Physica Sinica, 2003, 52(8): 2046-2051.doi:10.7498/aps.52.2046 | 
         
          | [20] | LIU HONG-XIA, FANG JIAN-PING, HAO YUE.EXPERIMENTAL ANALYSIS AND PHYSICAL MODEL INVESTIGATION OF TDDB OF THIN GATE OXIDE. Acta Physica Sinica, 2001, 50(6): 1172-1177.doi:10.7498/aps.50.1172 |