| [1] |
Yang Qian, Wei Bing, Li Lin-Qian, Deng Hao-Chuan.A robust discontinuous Galerkin time domain algorithm for penetrable thin layers. Acta Physica Sinica, 2023, 72(8): 080202.doi:10.7498/aps.72.20222230 |
| [2] |
Yang Qian, Wei Bing, Li Lin-Qian, Deng Hao-Chuan.A simplified impedance boundary algorithm in discontinuous Galerkin time-domain. Acta Physica Sinica, 2023, 72(6): 060202.doi:10.7498/aps.72.20222104 |
| [3] |
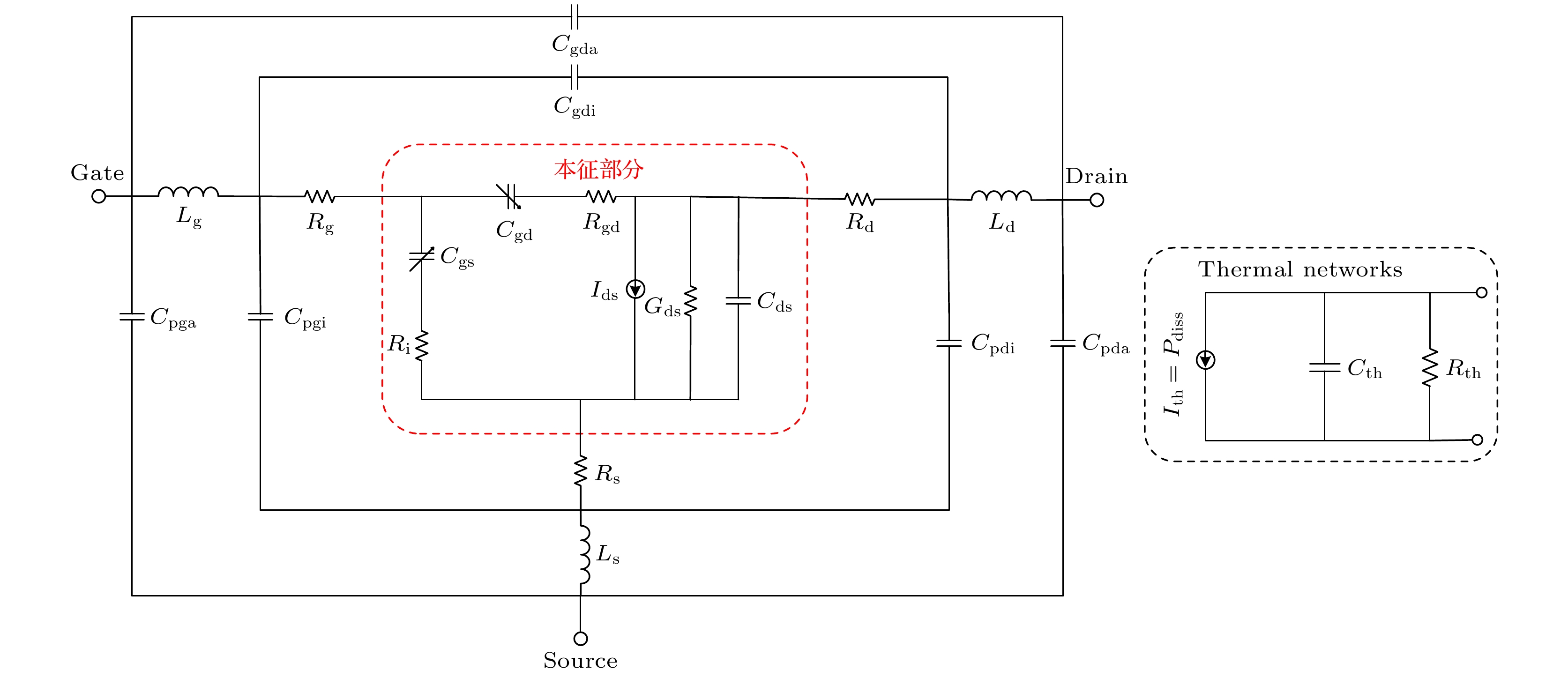
Cheng Ai-Qiang, Wang Shuai, Xu Zu-Yin, He Jin, Zhang Tian-Cheng, Bao Hua-Guang, Ding Da-Zhi.A large-signal scaling model of high-power GaN microwave device. Acta Physica Sinica, 2023, 72(14): 147103.doi:10.7498/aps.72.20230440 |
| [4] |
Cui Yi-Xin, Ma Ying-Qi, Shangguan Shi-Peng, Kang Xuan-Wu, Liu Peng-Cheng, Han Jian-Wei.Research on Single Event Burnout of GaN power devices with femtosecond pulsed laser. Acta Physica Sinica, 2022, 71(13): 136102.doi:10.7498/aps.71.20212297 |
| [5] |
Chen Chuan-Sheng, Wang Bing-Zhong, Wang Ren.Conversion method between port field and internal field of electromagnetic device based on time-reversal technique. Acta Physica Sinica, 2021, 70(7): 070201.doi:10.7498/aps.70.20201682 |
| [6] |
Xian Ming-Hao, Liu Xi-Chuan, Yin Min, Song Kun, Gao Tai-Chang.Inversion of vertical rainfall field based on earth-space links. Acta Physica Sinica, 2020, 69(2): 024301.doi:10.7498/aps.69.20191232 |
| [7] |
Liu Nai-Zhang, Zhang Xue-Bing, Yao Ruo-He.The physics-based model of AlGaN/GaN high electron mobility transistor outer fringing capacitances. Acta Physica Sinica, 2020, 69(7): 077302.doi:10.7498/aps.69.20191931 |
| [8] |
Huang Hua, Wu Yang, Liu Zhen-Bang, Yuan Huan, He Hu, Li Le-Le, Li Zheng-Hong, Jin Xiao, Ma Hong-Ge.Review on high power microwave device with locked frequency and phase. Acta Physica Sinica, 2018, 67(8): 088402.doi:10.7498/aps.67.20172684 |
| [9] |
Guo Chun-Sheng, Li Shi-Wei, Ren Yun-Xiang, Gao Li, Feng Shi-Wei, Zhu Hui.Influence of power dissipation and case temperature on thermal resistance of AlGaN/GaN high-speed electron mobility transistor. Acta Physica Sinica, 2016, 65(7): 077201.doi:10.7498/aps.65.077201 |
| [10] |
Zhang Xin-Guo, Sun Hong-Tao, Zhao Jin-Lan, Liu Ji-Zhao, Ma Yi-De, Han Ting-Wu.Equivalent circuit in function and topology to Chua’s circuit and the design methods of these circuits. Acta Physica Sinica, 2014, 63(20): 200503.doi:10.7498/aps.63.200503 |
| [11] |
Jiang Shi-Tai, Gao Tai-Chang, Liu Xi-Chuan, Liu Lei, Liu Zhi-Tian.Investigation of the inversion of rainfall field based on microwave links. Acta Physica Sinica, 2013, 62(15): 154303.doi:10.7498/aps.62.154303 |
| [12] |
Huang Chuan-Lu, Ding Yao-Gen, Wang Yong, Xie Xing-Juan, Gao Dong-Ping.The calculation model of space-charge field based on the Galerkin series. Acta Physica Sinica, 2012, 61(14): 148401.doi:10.7498/aps.61.148401 |
| [13] |
Zhou Li-Dan, Su Jing-Qin, Li Ping, Liu Lan-Qin, Wang Wen-Yi, Wang Fang, Mo Lei, Cheng Wen-Yong, Zhang Xiao-Min.Power spectral density method of defects on optical elements of high-power laser facility and its equivalent algorithm. Acta Physica Sinica, 2009, 58(9): 6279-6284.doi:10.7498/aps.58.6279 |
| [14] |
Gu Wen-Ping, Hao Yue, Zhang Jin-Cheng, Wang Chong, Feng Qian, Ma Xiao-Hua.Degradation under high-field stress and gate stress of AlGaN/GaN HEMTs. Acta Physica Sinica, 2009, 58(1): 511-517.doi:10.7498/aps.58.511 |
| [15] |
Li Bing-Qian, Liu Yu-Hua, Feng Yu-Chun.The power dissipation of equivalent series resistance and its influence on lumen efficiency of GaN based high power light-emitting diodes. Acta Physica Sinica, 2008, 57(1): 477-481.doi:10.7498/aps.57.477 |
| [16] |
Li Qi, Li Zhao-Ji, Zhang Bo.Analytical model for the surface electrical field distribution of double RESURF device with surface implanted P-top region. Acta Physica Sinica, 2007, 56(11): 6660-6665.doi:10.7498/aps.56.6660 |
| [17] |
Hao Yue, Han Xin-Wei, Zhang Jin-Cheng, Zhang Jin-Feng.Current slump mechanism and its physical model of AlGaN/GaN HEMTs under DC bias. Acta Physica Sinica, 2006, 55(7): 3622-3628.doi:10.7498/aps.55.3622 |
| [18] |
Hu Hui-Yong, Zhang He-Ming, Lü Yi, Dai Xian-Ying, Hou Hui, Ou Jian-Feng, Wang Wei, Wang Xi-Yuan.SiGe HBT large signal equivalent circuit model. Acta Physica Sinica, 2006, 55(1): 403-408.doi:10.7498/aps.55.403 |
| [19] |
LUO XIAO-SHU, FANG JIN-QING, QU WAN-LI.CONTROLLING HYPERCHAOS THROUGH LENGTHENING TIME OF AUTOCORRELATION OF SIGNAL. Acta Physica Sinica, 1999, 48(4): 589-595.doi:10.7498/aps.48.589 |
| [20] |
Lin Wei-gan.THE EQUIVALENT CIRCUIT FOR A DISCONTINUITY IN A RECTANGULAR WAVE GUIDE. Acta Physica Sinica, 1956, 12(5): 459-476.doi:10.7498/aps.12.459 |